強力塑料破碎機主用適用于各種塑料邊角料,包裝材料,管材,輪胎等塑料的破碎,此塑料破碎機可根據物體破碎后顆粒大小來選擇刀體...
發布時間:2017-12-16
此類雙軸撕碎機相比于一軸撕碎機難粉的木材、板材、大塊料、筐料 、廢舊金屬桶、管材、輪胎、大卷薄膜都可撕碎...
發布時間:2017-12-05
磨刀機是根據塑料粉碎機、撕碎機刀片易鈍而專門設計,它是塑料粉碎機、撕碎機的配套產品,大大提高了撕碎機的工作效率,同時還可磨削木工機床及其它機床的直刃刀片...
發布時間:2017-12-04
木材雙軸撕碎機又可以稱為剪切式撕碎機,就是經過撕碎機剪切、撕碎和擠壓達到減小物料尺寸的目的,此系列撕碎機是經過多年研究與實踐制造而成...
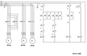
發布時間:2017-12-02
不可盲目更改撕碎機的電路,如擅自更改而造成撕碎機損壞,本公司不負任何責任。撕碎機所有的維修保養工作,只能由專業的維修工程師來做...
發布時間:2017-11-30
此系列撕碎機的主要作用是將大塊的廢舊物品和不利于運輸的大直徑金屬物品經過撕碎機的剪切相互擠壓,撕碎成符合要求的片狀物料...
發布時間:2017-11-29
由于塑料撕碎機的撕碎效率較高,在運行過程中,應經常觀察接料斗內的碎料情況,如遇主機卡住時,應立即停止投料...
發布時間:2017-11-27
單軸塑料撕碎機采用了密排動刀結構,設有液壓驅動的推料強制喂料機械,具有破碎能力強,效率高等特點。撕碎機主要電氣采用施耐德或西門子,確保了系統的安全運行...
發布時間:2017-11-24
勁馬機械為您提供高速混合機、高速造粒機,高速造粒機投入使用后,若短期停產,則應仔細擦凈鍋體內壁、刀片...
發布時間:2017-11-20
勁馬機械提供塑料回收造粒設備高速混合機、高速造粒機。下面介紹高速混合機與高速造粒機的使用注意事項...
發布時間:2017-11-17